Отличие киловатт от киловатт∙час
В электротехнике встречается величина, называемая киловатт∙час, измерение которой осуществляют электросчетчики. Многие подменяют понятия, не видя разницы между определением «киловатт» и «киловатт∙час», считая величины одним параметром.
Несмотря на схожесть названий, это абсолютно разные величины. Киловатт∙час используется для измерения количества электрической энергии, произведенной или потребленной в единицу времени. В частности, расход электроприемника 1 кВт∙час обозначает энергию, расходуемую потребителем мощностью 1 кВт в течение 1 часа. В отличие от него, киловатт является единицей мощности, обозначающей интенсивность генерирования или потребления электроэнергии.
Подключение электрического котла и правила безопасности
Подключение электрического котла к электросети должно происходить по правилам безопасности. Вот основные рекомендации, которые вам необходимо соблюдать при выполнении электромонтажных работ:
- Подключение электрического котла нужно выполнять при выключенной электроэнергии.
- Его установка обязательно должна происходить на определенном расстоянии от остальных объектов:
- Между стеной и котлом следует оставить 5 см пространства.
- Передняя панель должна быть доступной для открытия. Для этого вполне хватит 60 см.
- От потолка расстояние должно составлять 75 см.
- Если устройство имеет подвесной тип, тогда от пола необходимо оставлять не менее 50 см.
- До ближайших труб расстояние должно составлять около 60 см.
- Подключение электрического котла должно выполняться в трехфазную сеть. Если в вашем доме установлена однофазная сеть, тогда она просто не выдержит нагрузки. Впоследствии этого может возникнуть короткое замыкание.
- Соединения проводов обязательно должны быть герметичными. Они должны быть надежно защищенными от попадания влаги. Также при прокладке проводки для электрического котла специалисты рекомендуют использовать гофрированную трубу. Она обеспечит надежную защиту и легкий доступ к кабелю. Также при возгорании проводки гофрированная труба способна предотвратить распространение огня.
Как перевести вольты и ватты и наоборот
Чтобы правильно выполнить задачу, связанную с переводом вольтов в ватты, можно руководствоваться следующим алгоритмом:
- В руководстве по эксплуатации электроприбора нужно найти значение мощности. Зачастую компании указывают эту величину в вольт-амперах. Это обозначение показывает максимальное количество потребляемой электроэнергии. Так оно приравнивается к значению мощности.
- Определить КПД источника питания по особенностям конструктивного исполнения и количеству подключенных к нему приборов. Как правило, этот коэффициент устанавливается в диапазоне от 0,6 до 0,8.
- Перевести вольтамперные показатели в Вт: узнать активную мощность энергетического оборудования, предназначенного для снабжения бесперебойным питанием.
Важно! Вычислить количество ватт достаточно перемножением вольт-ампер на КПД. Наглядное изображение напряжения и тока. Наглядное изображение напряжения и тока
Наглядное изображение напряжения и тока
Перевод из Вт в В проходит по обратной схеме: ватты нужно разделить на коэффициент полезного действия.
При выборе источника питания от завода-изготовителя не всегда бывает понятно, сколько мощности выдает прибор. Поэтому рекомендуется изучить технические параметры, указанные в инструкции, чтобы осуществить корректный перевод из одной величины в другую.
Нюансы, которые нужно учитывать
Точно знать, какие бытовые приборы будут в доме или квартире, не может никто. По этой причине следует:
- повысить суммарную расчетную мощность трехфазного дифавтомата на 50 %, или применять коэффициент повышения 1,5;
- понижающий коэффициент учитывается, когда в помещении не хватает розеток для одновременного подключения техники;
- для простоты расчетов нагрузку стоит разделить на группы;
- мощные приборы стоит подключить отдельно с учетом маломощной нагрузки;
- для вычисления маломощной нагрузки мощность понадобится разделить на напряжение;
- проводка – основной фактор, на который ориентируются при выборе автоматического 3-фазного выключателя; старые алюминиевые провода выдерживают 10 А, но если их взять для розеток на 16 А, могут расплавиться;
- в бытовых условиях чаще всего применяются модели с токовым номиналом 6, 16, 25, 32 и 40 А.
Давно прошло время керамических пробок, которые вкручивались в домашние электрические щитки. В настоящее время широкое распространение получили различные типы автоматических выключателей, выполняющих защитные функции. Данные устройства очень эффективны при коротких замыканиях и перегрузках. Очень многие потребители еще не до конца освоили эти приборы, поэтому нередко возникает вопрос, какой автомат нужно поставить на 15 кВт. От выбора автомата полностью зависит надежная и долговечная работа электрических сетей, приборов и оборудования в доме или квартире.
Измерение мощности и силы тока
Как уже видно, остается подставить значение коэффициента и найти силу тока. Можно опять обратится к вышеупомянутому Акту. Но лучше всего произвести самостоятельные замеры. Хотя бы при помощи обычного мультиметра. Заодно и проверить – одинаковая ли сила тока на каждой фазе.
Если она будет отличаться, то придется применять первую, более сложную, формулу мощности трехфазного тока. И тогда расчеты будут намного точнее. Но иногда намного проще воспользоваться ваттметром. Этот измерительный прибор часто монтируют в современные устройства для учета электроэнергии. И в этом случае все показания по каждой фазе можно увидеть на специальном дисплее.
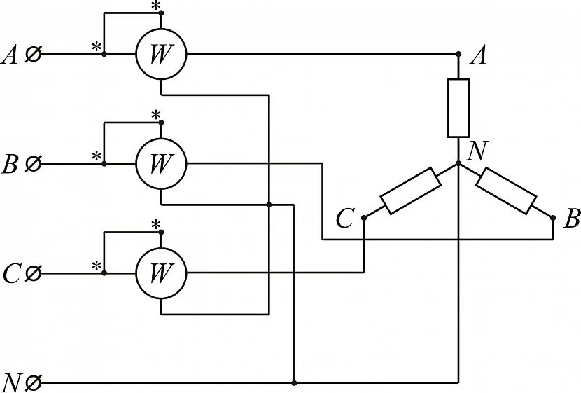
А имея обычный ваттметр для однофазной сети, можно:
- Подключить его к любой трехфазной линии, если при подсоединении использовалась звезда с нулем, а нагрузка симметрична. После снятий показаний, их умножают на 3.
- Для несимметричной нагрузки потребуются три ваттметра (на каждую линию), а все результаты суммируются.
- Для треугольника нужны только два ваттметра. Показания также суммируются.
Чаще всего в быту практикуется подсоединение с симметричной нагрузкой. Так и учет вести проще, и параметры сети улучшаются. Поэтому в основном для измерений первый вариант самый актуальный.

Вариант измерения несимметричной нагрузки в трехфазной сетиИсточник konspekta.net
Как рассчитать мощность электрического тока?
Заключение
Расчет мощности трехфазного тока необходим в случае подключения к сети сложных приборов индуктивного типа. К таким причисляются все асинхронные электродвигатели и различные трансформаторы. Например, сварочный аппарат работает по индуктивному принципу.
Пересчет ватт в амперы при трехфазном переменном напряжении
Последовательность действий:
следующая формула используется для выбора подходящего защитного устройства:
I = P / (U * √3)
суммируем мощность подключенных устройств:
2300 + 2400 +1 800 = 6500 Вт
рассчитать ток в цепи при максимальной нагрузке:
6500 / (380 * 1,732) = 9,876 А.
Выбирайте машину, подходящую для трехфазной сети. Для этого примера подходит продукт 10 A.
- https://etlib.ru/calc/amps-watts-conversion
- https://amperof.ru/teoriya/perevesti-vatty-v-ampery.html
- https://tehsistemy.ru/perevesti-vatty-vt-v-ampery-a-dlya-chego-nuzhny-eti-rasschety/
- https://calcplus.ru/kalkulyator-perevoda-sily-toka-v-moschnost/
- https://AutoVogdenie.ru/perevod-sily-toka-v-moshhnost.html
- https://remontautomobilya.ru/kalkulyator-dlya-perevoda-sily-toka-v-moshhnost.html
Чем отличается киловатт от киловатт-часа
Многие потребители привычно называют показатели расхода электроэнергии, фиксируемые электросчётчиком, киловаттами. Но на самом деле этот показатель измеряется в киловатт-часах (квт*ч), что совсем не одно и то же.
Расход энергии в квт*ч определяется по количеству мощности, затраченной в течение определённого времени.
Пример подобного расчёта:
- для освещения используется лампа накаливания в 0,06 кВт;
- за 6 часов работы (примерное время эксплуатации в течение суток) этот прибор израсходует электроэнергии 0,06 × 6 = 0,36 квт*ч;
- в месяц расход по указанной лампе составит 0,36 × 30 = 10,8 квт*ч.
Аналогичным способом несложно рассчитать суммарный расход электрической энергии в месяц, зная продолжительность включения того или иного оборудования и его мощностные характеристики. Далее можно определить размер полученной экономии за счёт применения менее энергозатратного оборудования и бережливого отношения к потреблению ресурсов.
Правильный перевод единиц мощности электрической энергии очень важен для потребителя. Это позволит обеспечить безопасность эксплуатации оборудования и экономию расхода электроэнергии.
Параметры расчетов автомата
Каждый автоматический выключатель в первую очередь защищает проводку, подключенную после него. Основные расчеты данных устройств проводятся по номинальному току нагрузки. Расчеты по мощности осуществляются в том случае, когда вся длина провода рассчитана на нагрузку, в соответствии с номинальным током.
Окончательный выбор номинального тока для автомата зависит от сечения провода. Только после этого можно рассчитывать величину нагрузки. Максимальный ток, допустимый для провода с определенным сечением должен быть больше номинального тока, указанного на автомате. Таким образом, при выборе защитного устройства используется минимальное сечение провода, присутствующее в электрической сети.
Когда у потребителей возникает вопрос, какой автомат нужно поставить на 15 кВт, таблица учитывает и трехфазную электрическую сеть. Для подобных расчетов существует своя методика. В этих случаях номинальная мощность трехфазного автомата определяется как сумма мощностей всех электроприборов, планируемых к подключению через автоматический выключатель.

Например, если нагрузка каждой из трех фаз составляет 5 кВт, то величина рабочего тока определяется умножением суммы мощностей всех фаз на коэффициент 1,52. Таким образом, получается 5х3х1,52=22,8 ампера. Номинальный ток автомата должен превышать рабочий ток. В связи с этим, наиболее подходящим будет защитное устройство, номиналом 25 А. Наиболее распространенными номиналами автоматов являются 6, 10, 16, 20, 25, 32, 40, 50, 63, 80 и 100 ампер. Одновременно уточняется соответствие жил кабеля заявленным нагрузкам.
Данной методикой можно пользоваться лишь в тех случаях, когда нагрузка одинаковая на все три фазы. Если же одна из фаз потребляет больше мощности, чем все остальные, то номинал автоматического выключателя рассчитывается по мощности именно этой фазы. В этом случае используется только максимальное значение мощности, умножаемое на коэффициент 4,55. Эти расчеты позволяют выбрать автомат не только по таблице, но и по максимально точным полученным данным.
Причины для выполнения перевода
Мощность и сила тока — ключевые характеристики, необходимые для грамотного подбора защитных устройств для оборудования, питающегося электроэнергией. Защита нужна для предотвращения оплавления изоляции проводки и поломки агрегатов.
Электропроводка, питающая освещение, электроплиту, кофе-машину должна защищаться индивидуально подобранными устройствами. Ведь каждый потребитель создает «свою» нагрузку – другими словами, потребляет определенный ток.
Кстати, кабели, провода, питающие перечисленные бытовые устройства, обладают определенной токонесущей способностью. Последняя диктуется сечением жил.
Каждое защитное устройство обязано срабатывать в момент скачка напряжения, опасного для защищаемого типа техники или группы технических устройств. Значит, подбирать УЗО и автоматы следует так, чтобы во время угрозы для маломощного прибора не отключалась полностью сеть, а только ветка, для которой этот скачек является критичным.
На корпусах предложенных торговой сетью автоматических выключателей проставлена цифра, обозначающая величину предельно допустимого тока. Естественно, указана она в Амперах.
А вот на электроприборах, которые обязаны защищать эти автоматы, обозначена потребляемая ими мощность. Тут и возникает необходимость в переводе. Несмотря на то, что разбираемые нами единицы принадлежат разным токовым характеристикам, связь между ними прямая и довольно тесная.
Правильно подобрать защиту помогают амперы и киловатты, характеризующие электропотребление бытовых устройств
Напряжением именуют разность потенциалов, проще говоря, работу, вложенную в перемещение заряда от одной точки к другой. Выражается оно в Вольтах. Потенциал – это и есть энергия в каждой из точек, в которой находится/находился заряд.
Под силой тока подразумевается число Ампер, проходящих по проводнику в конкретную единицу времени. Суть мощности заключается в отражении скорости, с которой происходило перемещение заряда.
Мощность обозначают в Ваттах и Киловаттах. Ясно, что второй вариант используется, когда слишком внушительную четырех- или пятизначную цифру нужно сократить для простоты восприятия. Для этого ее значение просто делят на тысячу, а остаток округляют как обычно в большую сторону.
Для питания мощного оборудования нужна более высокая скорость потока энергии. Предельно допустимое напряжение для него больше, чем для маломощной техники. У подбираемых для него автоматов предел срабатывания должен быть выше. Следовательно, точный подбор по нагрузке с грамотно выполненным переводом единиц просто необходим.
Онлайн калькулятор
На многочисленных сайтах в сети, чтобы узнать сколько ампер в 1 кВт таблица и многие другие данный приведены со всеми подробными пояснениями. Также в этих таблицах указано как рассчитать количество киловатт в самых распространенных случаях, когда речь идет о напряжении в 12, 220 и 380 вольт. Это наиболее распространенные сети, поэтому потребность в расчетах возникает именно в отношении данных сетей.
Для того, чтобы рассчитать и перевести амперы в киловатты не нужно заканчивать специальных учебных заведений. Знание всего лишь одной формулы помогает на бытовом уровне решить многие задачи и быть уверенным в том, что вся бытовая техника в доме работает в оптимальном режиме и надежно защищена.
| Мощность Вт, при напряжении в В | |||
| А | 12 | 220 | 380 |
| 1 | 12 | 220 | 380 |
| 2 | 24 | 440 | 760 |
| 3 | 36 | 660 | 1140 |
| 4 | 48 | 880 | 1520 |
| 5 | 60 | 1100 | 1900 |
| б | 72 | 1320 | 2280 |
| 7 | 84 | 1540 | 2660 |
| 8 | 96 | 1760 | 3040 |
| 9 | 108 | 1980 | 3420 |
| 10 | 120 | 2200 | 3800 |
| 11 | 132 | 2420 | 4180 |
| 12 | 144 | 2640 | 4560 |
| 13 | 156 | 2860 | 4940 |
| 14 | 168 | 3080 | 5320 |
| 15 | 180 | 3300 | 5700 |
| 16 | 192 | 3520 | 6080 |
| 17 | 204 | 3740 | 6460 |
| 18 | 216 | 3960 | 6840 |
| 19 | 228 | 4180 | 7220 |
| 20 | 240 | 4400 | 7600 |
| 21 | 252 | 4620 | 7980 |
| 22 | 264 | 4840 | 8360 |
| 23 | 276 | 5060 | 8740 |
| 24 | 288 | 5280 | 9120 |
| 25 | ЗСО | 5500 | 9500 |
| 26 | 312 | 5720 | 9880 |
| 27 | 324 | 5940 | 10260 |
| 28 | 336 | 6160 | 10640 |
| 29 | 348 | 6380 | 11020 |
| 30 | 360 | 6600 | 11400 |
При покупке любого прибора, который связан с электросетью, всегда идет техническая характеристика к нему, но не всегда можно хорошо в ней разобраться, особенно без определенного опыта работы. Можно рассмотреть счетчик или розетку, на которых маркировка показывает силу тока в амперах. То есть, это является показателем максимального электрического тока, который способен выдерживать данный агрегат. Что касается электрических приборов, то на них указывают обозначение тока в ваттах или киловаттах. Из-за этого и бывают проблемы, в правильном переводе данных величин.
- Для начала нужно разобраться с ваттами. 1 Ват = Ампер * Вольт. Из этого выходит формула:
- Чтобы узнать сколько и чему будет равняться Ампер, необходимо знать, что 1 Ампер= Ват/Вольт. Тогда получаем следующую формулу:
b. I= P/U
Также нужно помнить и знать, для того, чтобы вычислить ватты с киловатт, необходимо значение, которое в итоге выйдет поделить на тысячу. Это будет выглядеть примерно так: 1 тысяча Ват – это 1 киловатт. Из этого получаем такую формулу:
с. киловатты = ватты/ 1000
Основные правила при переводе амперов в киловатты в трехфазных сетях
В этом случае основные формулы будут такие:
- Для начала для расчета Ватта, необходимо знать, что Ватт= √3*Ампер*Вольт. Из этого получается такая формула: P = √3*U*I.
- Для правильного подсчета Ампера, нужно склоняться к таким расчетам: Ампер = Ват/ (√3 * Вольт), получаем I= P/√3 *U
Можно рассмотреть пример с чайником, он заключается в таком: есть определенный ток, он проходит по проводке, тогда когда начинает свою работу чайник с мощностью два киловатта, а также имеет переменную электроэнергию 220 вольт. Для такого случая, необходимо использовать такую формулу:
I = P/U= 2000/220 = 9 Ампер.
Если рассматривать данный ответ, можно сказать о нем, что это маленькое напряжение. При подборке шнура, который будет использоваться, необходимо верно и умно подобрать его сечения. Например, шнур из алюминия выдерживает на много меньшие нагрузки, а вот медный провод с таким же сечением выдерживает нагрузку в два раза мощнее.
Поэтому, чтобы произвести правильный расчет и перевод амперов в киловатты, необходимо придерживаться выше наведенных формул. Также следует быть предельно осторожными в работе с электрическими приборами, чтобы не навредить своему здоровью и не испортить данный агрегат, который будет использоваться в дальнейшем.
Из школьного курса физики всем нам известно, что силу электротока измеряют в амперах, а механическую, тепловую и электрическую мощность – в ваттах. Данные физические величины связаны между собой определенными формулами, но так как они являются разными показателями, то просто взять и перевести их друг в друга нельзя. Для этого нужно одни единицы выразить через другие.
Мощность электротока (МЭТ) – это количество работы, совершенной за одну секунду. Количество электричества, которое проходит через поперечное сечение кабеля за одну секунду называется силой электротока. МЭТ в таком случае это прямо пропорциональная зависимость разности потенциалов, иными словами напряжения, и силы тока в электрической цепи.
Теперь разберемся, как же соотносятся сила электротока и мощность в различных электрических цепях.
Нам понадобится следующий набор инструментов:
- калькулятор
- электротехнический справочник
- токоизмерительные клещи
- мультиметр или аналогичный прибор.
Алгоритм пересчета А в кВт на практике следующий:
1.Измеряем с помощью тестера напряжения в электрической цепи.
2.Измеряем с помощью токоизмерительных ключей силу тока.
3.При постоянном напряжении в цепи величина тока умножается на параметры напряжения сети. В результате мы получим мощность в ваттах. Для перевода ее в киловатты, делим произведение на 1000.
4.При переменном напряжении однофазной электросети величина тока умножается на напряжение сети и на коэффициент мощности (косинус угла фи). В результате мы получим активную потребляемую МЭТ в ваттах. Аналогичным образом переводим значение в кВт.
5.Косинус угла между активной и полной МЭТ в треугольнике мощностей равен отношению первой ко второй. Угол фи – это сдвиг фаз между силой тока и напряжением. Он возникает в результате индуктивности. При чисто активной нагрузке, например, в лампах накаливания или электрических нагревателях, косинус фи равняется единице. При смешанной нагрузке его значения варьируются в пределах 0,85. Коэффициент мощности всегда стремиться к повышению, так как, чем меньше реактивная составляющая МЭТ, тем меньше потери.
6.При переменном напряжении в трехфазной сети параметры электротока одной фазы умножается на напряжение этой фазы. Затем рассчитанное произведение умножается на коэффициент мощности. Аналогичным образом производится расчет МЭТ других фаз. Далее все значения суммируются. При симметричной нагрузке общая активная МЭТ фаз равняется утроенному произведению косинуса угла фи на фазный электроток и на фазное напряжение.
Отметим, что на большинстве современных электрических приборов, сила тока и потребляемая МЭТ уже указана. Найти эти параметры можно на упаковке, корпусе или в инструкции. Зная исходные данные, перевести амперы в киловатты или амперы в киловатты дело нескольких секунд.
Для электроцепях с переменным током существует негласное правило: для того, чтобы получить приблизительное значение мощности при расчете сечений проводников и при выборе пусковой и регулирующей аппаратуры, нужно значения силы тока разделить на два.
Сколько Вольт содержит 1 Ампер
Как и в предыдущем примере, подобные вопросы задают ошибочно. Переводить напряжение в ток можно только с учетом:
- электрического сопротивления участка цепи;
- мощности;
- характеристик нагрузки;
- постоянных (переменных) параметров сети питания.
Однако надо отметить, что в РФ, наряду с международным стандартом (СИ), применяют внесистемную единицу «Вольт-ампер». Ее значение равно 1 Вт мощности, поэтому конвертировать с применением дополнительных коэффициентов не нужно. В данном случае речь идет о питании синусоидальным сигналом в однофазной сети.
Мощность «вольт-амперная» обозначает полную энергию источника питания, которая расходуется за час. Измеряют действительные значения напряжения на клеммах генератора и тока в подключенной цепи. Это значит, что в реальных условиях часть энергии будет потрачена впустую, на:
- тепловой нагрев;
- электромагнитные колебания, созданные реактивными компонентами.
Основные правила при переводе амперов в киловатты в трехфазных сетях
В этом случае основные формулы будут такие:
- Для начала для расчета Ватта, необходимо знать, что Ватт= √3*Ампер*Вольт. Из этого получается такая формула: P = √3*U*I.
- Для правильного подсчета Ампера, нужно склоняться к таким расчетам: Ампер = Ват/ (√3 * Вольт), получаем I= P/√3 *U
Можно рассмотреть пример с чайником, он заключается в таком: есть определенный ток, он проходит по проводке, тогда когда начинает свою работу чайник с мощностью два киловатта, а также имеет переменную электроэнергию 220 вольт. Для такого случая, необходимо использовать такую формулу:
I = P/U= 2000/220 = 9 Ампер.
Если рассматривать данный ответ, можно сказать о нем, что это маленькое напряжение. При подборке шнура, который будет использоваться, необходимо верно и умно подобрать его сечения. Например, шнур из алюминия выдерживает на много меньшие нагрузки, а вот медный провод с таким же сечением выдерживает нагрузку в два раза мощнее.
Поэтому, чтобы произвести правильный расчет и перевод амперов в киловатты, необходимо придерживаться выше наведенных формул. Также следует быть предельно осторожными в работе с электрическими приборами, чтобы не навредить своему здоровью и не испортить данный агрегат, который будет использоваться в дальнейшем.
Из школьного курса физики всем нам известно, что силу электротока измеряют в амперах, а механическую, тепловую и электрическую мощность – в ваттах. Данные физические величины связаны между собой определенными формулами, но так как они являются разными показателями, то просто взять и перевести их друг в друга нельзя. Для этого нужно одни единицы выразить через другие.
Мощность электротока (МЭТ) – это количество работы, совершенной за одну секунду. Количество электричества, которое проходит через поперечное сечение кабеля за одну секунду называется силой электротока. МЭТ в таком случае это прямо пропорциональная зависимость разности потенциалов, иными словами напряжения, и силы тока в электрической цепи.
Теперь разберемся, как же соотносятся сила электротока и мощность в различных электрических цепях.
Нам понадобится следующий набор инструментов:
- калькулятор
- электротехнический справочник
- токоизмерительные клещи
- мультиметр или аналогичный прибор.
Алгоритм пересчета А в кВт на практике следующий:
1.Измеряем с помощью тестера напряжения в электрической цепи.
2.Измеряем с помощью токоизмерительных ключей силу тока.
3.При постоянном напряжении в цепи величина тока умножается на параметры напряжения сети. В результате мы получим мощность в ваттах. Для перевода ее в киловатты, делим произведение на 1000.
4.При переменном напряжении однофазной электросети величина тока умножается на напряжение сети и на коэффициент мощности (косинус угла фи). В результате мы получим активную потребляемую МЭТ в ваттах. Аналогичным образом переводим значение в кВт.
5.Косинус угла между активной и полной МЭТ в треугольнике мощностей равен отношению первой ко второй. Угол фи – это сдвиг фаз между силой тока и напряжением. Он возникает в результате индуктивности. При чисто активной нагрузке, например, в лампах накаливания или электрических нагревателях, косинус фи равняется единице. При смешанной нагрузке его значения варьируются в пределах 0,85. Коэффициент мощности всегда стремиться к повышению, так как, чем меньше реактивная составляющая МЭТ, тем меньше потери.
6.При переменном напряжении в трехфазной сети параметры электротока одной фазы умножается на напряжение этой фазы. Затем рассчитанное произведение умножается на коэффициент мощности. Аналогичным образом производится расчет МЭТ других фаз. Далее все значения суммируются. При симметричной нагрузке общая активная МЭТ фаз равняется утроенному произведению косинуса угла фи на фазный электроток и на фазное напряжение.
Отметим, что на большинстве современных электрических приборов, сила тока и потребляемая МЭТ уже указана. Найти эти параметры можно на упаковке, корпусе или в инструкции. Зная исходные данные, перевести амперы в киловатты или амперы в киловатты дело нескольких секунд.
Для электроцепях с переменным током существует негласное правило: для того, чтобы получить приблизительное значение мощности при расчете сечений проводников и при выборе пусковой и регулирующей аппаратуры, нужно значения силы тока разделить на два.
Сколько вольт содержит 1 ампер
Как и в предыдущем примере, подобные вопросы задают ошибочно. Переводить напряжение в ток можно только с учетом:
- электрического сопротивления участка цепи;
- мощности;
- характеристик нагрузки;
- постоянных (переменных) параметров сети питания.
Однако надо отметить, что в РФ, наряду с международным стандартом (СИ), применяют внесистемную единицу «Вольт-ампер». Ее значение равно 1 Вт мощности, поэтому конвертировать с применением дополнительных коэффициентов не нужно. В данном случае речь идет о питании синусоидальным сигналом в однофазной сети.
Мощность «вольт-амперная» обозначает полную энергию источника питания, которая расходуется за час. Измеряют действительные значения напряжения на клеммах генератора и тока в подключенной цепи. Это значит, что в реальных условиях часть энергии будет потрачена впустую, на:
- тепловой нагрев;
- электромагнитные колебания, созданные реактивными компонентами.
Необходимость перевода киловатт в силу тока и наоборот
Подобные вычисления могут пригодиться не только при выборе номинала автомата для домашней или промышленной сети. Также и при монтаже электропроводки под рукой может не оказаться таблицы выбора сечения кабеля по мощности. Тогда необходимо будет вычислить общую силу тока, которая требуется используемым бытовым приборам исходя из их потребляемой мощности. Либо может возникнуть обратная ситуация. А уж как перевести амперы в киловатты и наоборот — теперь вопроса возникнуть не должно.
В любом случае, подобная информация, так же, как и умение ее применить в нужный момент, не просто не помешает, а даже необходима
Ведь напряжение — неважно, 220 или 380 вольт — опасно, а потому следует быть предельно внимательным и аккуратным при работе с ним. Ведь прогоревшая проводка или постоянно отключающийся от перегрузок автомат еще никому не добавили хорошего настроения
А это значит, без подобных вычислений не обойтись.
Как посчитать общую мощность бытовых приборов
Установленная мощность дома или коттеджа важна при выполнении расчета и подбора электропроводки и автоматов. Без этого параметра невозможно спроектировать электроснабжение дома.
Чтобы узнать установленную мощность, необходимо из паспортов на оборудование выбрать данные о потребляемой мощности. Например, как указано в табличке.
| Наименование | Мощность, Вт |
| Телевизор | 150 |
| Бойлер | 1 500 |
| Электропечь | 2 000 |
| Стиральная машина | |
| Светильники (общее количество лампочек во всем доме) | 1 000 |
| Компьютер | 100 |
| В С Е Г О: | 3 750 Вт или 3,75 КВт |
Для правильного расчета электроснабжения дома учитывают коэффициент совмещения. Он обозначает, сколько потребителей работает одновременно.
Для установленной мощности в доме, коттедже, квартире до 14 кВт, в расчетах применяется коэффициент, равный 0,8. То есть берется общая величина нагрузок и умножается на 0,8. Для нашего примера в расчетах берут мощность равную 3,75*0,8=3 кВт.
Какое напряжение измеряется в вольтах и ваттах
Напряжение в ваттах или в вольтах измеряется по индивидуальным критериям. Измерения напряжения осуществляется в Вольтах, а на чертежах обозначается буквой V. Напряжение замеряется прибором – вольтметром. Последние устройства могут быть:
- Аналоговыми.
- Цифровыми.
Более точными являются первые.
В портативные устройства встроены вольтметры, и этим инструментом пользуются электрики. Аналоговые приборы установлены на электрических панелях: распредщиты и генераторы. Новейшее оборудование поставляется в комплекте с цифровыми счетчиками.
Величина напряжения в соответствии с международными стандартами устанавливается:
- Киловольт – кВ.
- Милливольт – мВ.
- Вольт – В.
- Мегавольт – МВ.
- Микровольт – мкВ.
Замеры напряжения
Важно! В ваттах (киловаттах) измеряется мощность. Эта величина связана с напряжением прямо пропорционально, а также с величиной силы тока. Основное отличие – это обозначение установленных показателей, согласно системе измерений
Основное отличие – это обозначение установленных показателей, согласно системе измерений.
«Фиксированный» перевод
Зная, помимо величин мощности и силы, еще и показатель напряжения, перевести амперы в ватты можно по следующей формуле:
При этом P — это мощность в ваттах, I — сила тока в амперах, U — напряжение в вольтах.
Для того, чтобы постоянно быть «в теме» можно составить для себя «ампер-ватт»-таблицу с наиболее часто встречаемыми параметрами (1А, 6А, 9А и т.п.).
Такой «график соотношений» будет достоверным для сетей с фиксированным и постоянным напряжением.
«Переменные нюансы»
Для расчета при переменном напряжении в формулу включается еще одно значение — коэффициент мощности (КМ). Теперь она выглядит так:
Сделать процесс перевода единиц измерения более быстрым и простым поможет такое доступное средство, как онлайн-калькулятор «ампер в ватты». Не забывайте, что если надо ввести в графу дробное число, производится это через точку, а не через запятую.
Таким образом, на вопрос «1 ватт — сколько ампер?», с помощью калькулятора можно дать ответ — 0,0045. Но он будет справедливым только для стандартного напряжения в 220в.
Используя представленные в интернете калькуляторы и таблицы, вы сможете не мучиться над формулами, а легко сопоставить разные единицы измерения.
Это поможет подобрать автоматические выключатели на разную нагрузку и не тревожиться за свои бытовые приборы и состояние электропроводки.
Ампер — ватт таблица:
| 6 | 12 | 24 | 48 | 64 | 110 | 220 | 380 | Вольт | |
| 5 Ватт | 0,83 | 0,42 | 0,21 | 0,10 | 0,08 | 0,05 | 0,02 | 0,01 | Ампер |
| 6 Ватт | 1 | 0,5 | 0,25 | 0,13 | 0,09 | 0,05 | 0,03 | 0,02 | Ампер |
| 7 Ватт | 1,17 | 0,58 | 0,29 | 0,15 | 0,11 | 0,06 | 0,03 | 0,02 | Ампер |
| 8 Ватт | 1,33 | 0,67 | 0,33 | 0,17 | 0,13 | 0,07 | 0,04 | 0,02 | Ампер |
| 9 Ватт | 1,5 | 0,75 | 0,38 | 0,19 | 0,14 | 0,08 | 0,04 | 0,02 | Ампер |
| 10 Ватт | 1,67 | 0,83 | 0,42 | 0,21 | 0,16 | 0,09 | 0,05 | 0,03 | Ампер |
| 20 Ватт | 3,33 | 1,67 | 0,83 | 0,42 | 0,31 | 0,18 | 0,09 | 0,05 | Ампер |
| 30 Ватт | 5,00 | 2,5 | 1,25 | 0,63 | 0,47 | 0,27 | 0,14 | 0,03 | Ампер |
| 40 Ватт | 6,67 | 3,33 | 1,67 | 0,83 | 0,63 | 0,36 | 0,13 | 0,11 | Ампер |
| 50 Ватт | 8,33 | 4,17 | 2,03 | 1,04 | 0,78 | 0,45 | 0,23 | 0,13 | Ампер |
| 60 Ватт | 10,00 | 5 | 2,50 | 1,25 | 0,94 | 0,55 | 0,27 | 0,16 | Ампер |
| 70 Ватт | 11,67 | 5,83 | 2,92 | 1,46 | 1,09 | 0,64 | 0,32 | 0,18 | Ампер |
| 80 Ватт | 13,33 | 6,67 | 3,33 | 1,67 | 1,25 | 0,73 | 0,36 | 0,21 | Ампер |
| 90 Ватт | 15,00 | 7,50 | 3,75 | 1,88 | 1,41 | 0,82 | 0,41 | 0,24 | Ампер |
| 100 Ватт | 16,67 | 3,33 | 4,17 | 2,08 | 1,56 | ,091 | 0,45 | 0,26 | Ампер |
| 200 Ватт | 33,33 | 16,67 | 8,33 | 4,17 | 3,13 | 1,32 | 0,91 | 0,53 | Ампер |
| 300 Ватт | 50,00 | 25,00 | 12,50 | 6,25 | 4,69 | 2,73 | 1,36 | 0,79 | Ампер |
| 400 Ватт | 66,67 | 33,33 | 16,7 | 8,33 | 6,25 | 3,64 | 1,82 | 1,05 | Ампер |
| 500 Ватт | 83,33 | 41,67 | 20,83 | 10,4 | 7,81 | 4,55 | 2,27 | 1,32 | Ампер |
| 600 Ватт | 100,00 | 50,00 | 25,00 | 12,50 | 9,38 | 5,45 | 2,73 | 1,58 | Ампер |
| 700 Ватт | 116,67 | 58,33 | 29,17 | 14,58 | 10,94 | 6,36 | 3,18 | 1,84 | Ампер |
| 800 Ватт | 133,33 | 66,67 | 33,33 | 16,67 | 12,50 | 7,27 | 3,64 | 2,11 | Ампер |
| 900 Ватт | 150,00 | 75,00 | 37,50 | 13,75 | 14,06 | 8,18 | 4,09 | 2,37 | Ампер |
| 1000 Ватт | 166,67 | 83,33 | 41,67 | 20,33 | 15,63 | 9,09 | 4,55 | 2,63 | Ампер |
| 1100 Ватт | 183,33 | 91,67 | 45,83 | 22,92 | 17,19 | 10,00 | 5,00 | 2,89 | Ампер |
| 1200 Ватт | 200 | 100,00 | 50,00 | 25,00 | 78,75 | 10,91 | 5,45 | 3,16 | Ампер |
| 1300 Ватт | 216,67 | 108,33 | 54,2 | 27,08 | 20,31 | 11,82 | 5,91 | 3,42 | Ампер |
| 1400 Ватт | 233 | 116,67 | 58,33 | 29,17 | 21,88 | 12,73 | 6,36 | 3,68 | Ампер |
| 1500 Ватт | 250,00 | 125,00 | 62,50 | 31,25 | 23,44 | 13,64 | 6,82 | 3,95 | Ампер |
И ещё видео по теме:





























